
Los pestillos son pequeños circuitos de memoria que cambian la salida según los niveles de pulso de entrada.Almacenan datos por poco tiempo y mantienen las señales estables.Esto ayuda a mantener el funcionamiento adecuado en los circuitos digitales.Los pestillos admiten sistemas que no funcionan en perfecta sincronización, como controladores de alta velocidad y dispositivos periféricos.También ayudan a gestionar los cambios de entrada y salida en los puertos de E/S.
Los pestillos admiten el almacenamiento temporal de datos y ayudan a alinear señales en circuitos digitales.Esto reduce los problemas causados por las diferencias de sincronización entre señales.El almacenamiento de datos estable mejora el rendimiento en sistemas rápidos.Muchos dispositivos utilizan pestillos para mantener constante el flujo de señal.Los dispositivos periféricos dependen de pestillos para admitir la comunicación entre las partes de hardware conectadas.
Los pestillos se agrupan según cómo responden a las señales de entrada.Algunos pestillos utilizan una señal de control de habilitación para permitir o bloquear cambios de datos.Esto hace que la operación sea más flexible y controlada.Otros pestillos cambian de estado directamente según las señales de entrada.Este diseño es simple y rápido.Cada tipo se adapta a diferentes necesidades de circuito según el nivel de control y la velocidad.
Los pestillos se utilizan en sistemas que necesitan una conmutación rápida y estable entre los estados de entrada y salida.En el diseño de microcontroladores, los pestillos permiten cambiar entre los modos de entrada y salida en los sistemas de control.Esto permite un funcionamiento preciso en procesos automatizados.En los sistemas de sensores, los pestillos ayudan a mantener los datos estables durante los cambios rápidos.Esto admite la respuesta en tiempo real en sistemas como vehículos.Los pestillos también se utilizan en dispositivos de comunicación para mantener la confiabilidad de las señales durante condiciones cambiantes.
Los circuitos de retención mejoran la forma en que los sistemas digitales manejan los cambios de datos.Admiten una conmutación rápida y un almacenamiento de datos sencillo.Esto conduce a una mejor velocidad de procesamiento y un menor uso de energía.Los pestillos también apoyan el crecimiento del sistema y el diseño flexible.Estos beneficios aparecen en sistemas integrados, redes de comunicación y sistemas de control industrial.
El diseño eficiente del pestillo se centra en un funcionamiento estable y rápido.El blindaje ayuda a bloquear el ruido eléctrico no deseado y mantiene las señales claras.Los métodos de verificación de errores mejoran la confiabilidad en condiciones inestables.La reducción del retraso y el menor uso de energía mejoran el rendimiento general.Estos métodos respaldan un mejor diseño del sistema y un funcionamiento confiable en diferentes aplicaciones.
Los pestillos funcionan como mecanismos a corto plazo para mantener los estados de los datos, preservando la información para mantener la coherencia del sistema durante los períodos de transición.En escenarios con desequilibrios de sincronización, como procesadores de alta velocidad que interactúan con dispositivos periféricos más lentos, los pestillos estabilizan momentáneamente los niveles de señal, evitando errores y garantizando la fidelidad del sistema.Su capacidad para alinear diversos requisitos de sincronización ofrece un apoyo invaluable para evitar contratiempos de sincronización que puedan comprometer el flujo de datos u obstaculizar las operaciones.Estos desafíos a menudo surgen durante el ajuste de sistemas integrados o al diseñar marcos de comunicación, donde la precisión del tiempo influye fuertemente en la transmisión de datos sin interrupciones.
Los pestillos desempeñan un papel importante en la armonización del intercambio de datos entre dispositivos que operan a distintas velocidades.Actúan como intermediarios reguladores para agilizar la comunicación desde los procesadores de alta velocidad a los periféricos más lentos, asegurando interacciones fluidas sin obstaculizar la eficiencia funcional ni sobrecargar las unidades de procesamiento.Por ejemplo:
• En la automatización industrial, los microcontroladores se comunican con sistemas electromecánicos diseñados para operar a velocidades más medidas.
• Al actuar como amortiguadores temporales, los pestillos mantienen la interacción del sistema y mantienen los estándares de rendimiento, incluso en condiciones que exigen confiabilidad continua.
Los pestillos mejoran la dinámica de los puertos de entrada y salida al permitir que los puertos administren de manera efectiva las transferencias de datos simultáneas.Almacenan temporalmente señales de entradas o salidas, aliviando la carga inmediata de los procesadores dentro de sistemas complejos.Considere:
• En el procesamiento de gráficos, los pestillos admiten velocidades de actualización rápidas para pantallas de imágenes digitales al aprovechar su capacidad para preservar momentáneamente el flujo de datos.
• Esta disposición reduce la dependencia de la potencia de procesamiento de la CPU, lo que garantiza que los recursos informáticos se reasignen hacia tareas más exigentes, aumentando así el rendimiento en todo el sistema.
En aplicaciones sensibles a la energía, los pestillos mejoran la eficiencia operativa al reducir la participación constante de la CPU durante el manejo de datos.Al estabilizar las señales temporalmente, se requiere una atención mínima del procesador, lo que reduce el consumo de energía y optimiza la asignación de recursos.Los ejemplos incluyen:
• Las tecnologías de actualización rápida comúnmente empleadas en dispositivos digitales portátiles o dispositivos electrónicos portátiles dependen de pestillos para mantener el funcionamiento continuo sin imponer una carga indebida a los procesadores.
• Su capacidad para actuar como titulares estatales intermediarios respalda diseños que enfatizan el rendimiento y la conservación equilibrados, apelando a industrias que priorizan la sostenibilidad en la funcionalidad de los dispositivos.
Los pestillos contribuyen a mejoras integrales en las arquitecturas digitales.Al garantizar interacciones de datos sincronizadas y aliviar la tensión del procesamiento, facilitan la escalabilidad del sistema y fomentan los avances en el diseño.Las aplicaciones del mundo real que se benefician de sus capacidades de almacenamiento en búfer incluyen:
• Redes de comunicación de alta velocidad que gestionan los retrasos de propagación con una sincronización de señales fiable.
• Sistemas de almacenamiento como unidades de estado sólido que utilizan pestillos para optimizar los ciclos de lectura/escritura, logrando una mayor eficiencia de rendimiento y una latencia operativa reducida.
Estos ejemplos muestran el importante papel de los pestillos en los sistemas digitales modernos.Su uso respalda un equilibrio entre confiabilidad, velocidad y flexibilidad.

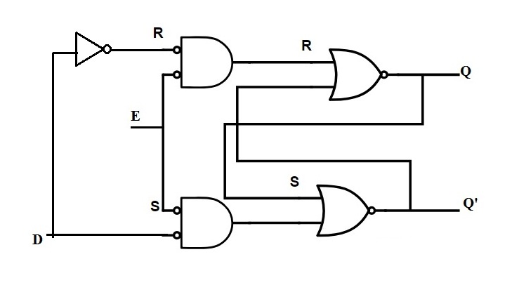
El marco operativo de un sistema de pestillo resume un enfoque estructurado pero complejo del diseño electrónico.Básicamente, el flip-flop D funciona como medio de almacenamiento primario, aumentado por una red de puertas lógicas fundamentales (Y, O, NO).Estas puertas interpretan señales dentro de un sistema guiado por una señal de reloj (C), que organiza una sincronización precisa durante las transiciones de estado.Entradas como los datos (D) y la señal de reloj invertida (C̅) interactúan para producir dos salidas distintas: la señal almacenada (Q) y su complemento (Q̅).
Profundizando más allá de la estructura, los principios de operación activada por nivel brindan una perspectiva más clara sobre cómo funcionan los pestillos en diversas aplicaciones.
• Captura de datos
Al activar la señal de habilitación, el pestillo captura y almacena activamente los datos entrantes.Este mecanismo refleja una necesidad práctica de preservar temporalmente la información, especialmente para sistemas que requieren almacenamiento de datos controlado.La naturaleza selectiva de este proceso garantiza que solo pasen las entradas relevantes, lo que fomenta la precisión en entornos controlados.
• Retención estatal
Cuando se desactiva la señal de habilitación, el pestillo mantiene de manera confiable su estado de salida actual.Esto garantiza la continuidad y evita alteraciones no deseadas, una característica beneficiosa para los sistemas que gestionan tareas sensibles a los datos.Aplicaciones como buffers de memoria y registros de almacenamiento temporal aprovechan esta capacidad para garantizar la integridad de los datos volátiles.
• Estabilidad temporal
En escenarios donde la señal de habilitación está inactiva, el pestillo protege sus valores almacenados de las interrupciones causadas por la inestabilidad de la entrada.Esta protección aumenta la resiliencia del sistema, particularmente para aplicaciones propensas a ruido o picos transitorios, como sistemas de control industrial o redes de comunicación digital.
Los pestillos son importantes para optimizar la funcionalidad de las matrices LED y las pantallas de tubos digitales.Sus mecanismos de bloqueo de datos urgentes mejoran la eficiencia al reducir la necesidad de actualizaciones constantes de la señal.
Consideremos, por ejemplo, las pantallas estroboscópicas de varios dígitos con frecuencias de actualización de alrededor de 30 milisegundos.Al almacenar temporalmente las señales de datos, los pestillos liberan al procesador de la carga de los ciclos de actualización continuos.Esto no sólo reduce la carga computacional sino que también reasigna recursos del procesador a otras tareas exigentes, como cálculos complejos o manejo de interrupciones críticas.
En entornos multitarea, los pestillos agilizan la gestión de recursos y mejoran la coordinación de tareas.Una aplicación notable se puede ver en los paneles de control de automatización industrial.Aquí, los pestillos retienen los estados de salida activados por señales transitorias, lo que permite a los sistemas manejar procesos críticos en el tiempo sin comprometer la capacidad de respuesta.
Esta arquitectura mitiga la latencia que pueda surgir durante la ejecución secuencial de tareas.Como resultado, las operaciones que requieren sincronización precisa y atención inmediata se ejecutan con mayor eficiencia y confiabilidad.
La aplicación deliberada de pestillos demuestra un equilibrio reflexivo: mediar entre entradas efímeras y la durabilidad de los estados deseados.Si bien se basan en principios electrónicos fundamentales, los pestillos revelan la relación simbiótica entre la simplicidad estructural y la adaptabilidad funcional.

Los pestillos exhiben una capacidad notable en los sistemas digitales al retener los estados de salida independientemente de las variaciones de entrada hasta que se activan mediante señales de control específicas.Esta funcionalidad distintiva posiciona a los pestillos como elementos centrales dentro de los circuitos integrados, especialmente en circuitos secuenciales, sistemas aritméticos y mecanismos para la retención de datos bajo demanda.Su integración facilita la sincronización, el control meticuloso y la preservación selectiva de datos, todo lo cual contribuye a mejorar el potencial operativo de una amplia gama de aplicaciones digitales.
Los pestillos desempeñan un papel destacado cuando se emplean como registros de datos y buffers de memoria, lo que ejemplifica su uso en sistemas de microcontroladores que requieren interfaz de memoria externa.
• Retención de direcciones críticas: Cuando se accede a la memoria externa, los pestillos actúan como unidades de bloqueo de direcciones activadas por señales como Address Latch Enable (ALE).Esto permite la retención temporal de datos vitales de direcciones, agilizando el procesamiento de datos posterior y evitando sistemáticamente conflictos entre direcciones y buses de datos.
• Estabilidad temporal en operaciones de memoria: Los ciclos de lectura y escritura de la memoria obtienen beneficios sustanciales de las propiedades estabilizadoras de los pestillos, lo que disminuye los posibles errores de sincronización y los desafíos de comunicación entre los componentes.
Los pestillos mantienen los datos en estados estables, lo que proporciona una base confiable para el diseño de sistemas modulares.Esto ayuda a aislar los procesos, lo que facilita el escalado y la resolución de problemas sin afectar otras partes.Este uso respalda el funcionamiento estable en sistemas como plataformas integradas que manejan cargas de trabajo variadas.
En los microcontroladores con puertos de E/S multifuncionales pero compartidos, los pestillos son integrales para mediar en la competencia periférica.El bloqueo y desbloqueo selectivo de rutas de datos mejoran la coordinación de operaciones simultáneas en sistemas complejos.
• Control de pantalla LED o matricial: Mediante el almacenamiento preciso de datos y transiciones de estado, los pestillos permiten a los programadores gestionar secuencias o animaciones para configuraciones de iluminación.Atributos como altas frecuencias de actualización y rendimiento sin parpadeos se optimizan al tiempo que se preserva la simplicidad en el diseño del circuito.
• Optimización de la multitarea para funcionalidad paralela: El control secuencial de los estados de bloqueo ofrece a los arquitectos de sistemas la capacidad de diseñar procesos multitarea sin exigir rutas de hardware separadas.Esto reduce las complejidades del hardware y admite menores requisitos de energía en sistemas ecológicamente sensibles.
El refinamiento acumulativo que aportan los pestillos en los componentes del sistema a menudo refleja mejoras de rendimiento a largo plazo, lo que enfatiza su valor en diseños computacionales eficientes.
Los pestillos destacan en aplicaciones como la multiplexación de direcciones y la asignación dinámica de recursos de hardware compartidos, lo que permite a los sistemas de microcontroladores alternar entre funcionalidades competitivas en buses compartidos.
• Bloqueo de dirección en expansión de puerto: Al expandir los puertos, los pestillos protegen momentáneamente las entradas de direcciones, lo que permite un cambio de enfoque hacia tareas posteriores de transmisión de señales.Esta reutilización efectiva de recursos de hardware limitados promueve la escalabilidad, un requisito fundamental en sistemas sensibles a los costos que buscan un alto rendimiento dentro de diseños restringidos.
• Creación de prototipos y depuración acelerada: La implementación práctica de pestillos evita la redundancia, promueve la adaptabilidad y permite a los arquitectos de sistemas perfeccionar los flujos de trabajo de creación de prototipos, depurar más rápido y optimizar la utilización del hardware.
Estos principios de diseño modular, validados a través de aplicaciones que van desde dispositivos portátiles hasta la automatización de fábrica, ilustran la capacidad de los pestillos para ampliar las funcionalidades del sistema manteniendo economías esenciales.
Los pestillos se utilizan en muchas aplicaciones prácticas:
• Pantallas LED: En configuraciones como paneles publicitarios multiplexados, los pestillos permiten velocidades de actualización rápidas y una emisión de luz constante, evitando las limitaciones típicas del hardware en los circuitos de conducción LED.
• Máquinas de Estados en Sistemas Digitales: Los sistemas secuenciales dependen en gran medida de la integración de pestillos para modelar estados y flujos de datos, lo que garantiza operaciones confiables en tiempos de ciclo variables.
• Estrategias de expansión portuaria: Las aplicaciones de microcontroladores compactos aprovechan los pestillos para controlar dinámicamente los periféricos, sorteando complejidades operativas sin recurrir a soluciones de hardware engorrosas.
La implementación estratégica de pestillos muestra su capacidad para abordar los desafíos en la precisión del tiempo, la coordinación funcional y la optimización de recursos.A través de su aplicación deliberada, se convierten en algo más que simples herramientas de retención de estado, y sirven como catalizadores para la agilidad del sistema, una escalabilidad refinada y una funcionalidad precisa dentro de las arquitecturas digitales modernas.
|
Característica |
Pestillos |
Amortiguadores |
|
Función principal |
Almacenar y retener datos |
Transferir y gestionar el flujo de datos |
|
Manejo de datos |
Mantiene los datos hasta que se modifican. |
Pasa datos de una parte a otra. |
|
Propósito |
Mantener un estado estable |
Mejorar el flujo de señal y la adaptación de velocidad |
|
Uso de ejemplo |
Mantener valores de salida |
Conexión de procesador y periféricos |
Los pestillos se utilizan cuando es necesario almacenar y mantener estables los datos.Los buffers se utilizan cuando los datos necesitan moverse sin problemas entre diferentes partes de un sistema.
Los buffers de tres estados pueden funcionar en tres estados: lógica alta, lógica baja y alta impedancia.La alta impedancia significa que el búfer está desconectado del circuito.Esto ayuda a que varios dispositivos compartan la misma línea de datos sin conflictos.
Estos buffers soportan comunicación bidireccional en buses compartidos.También ayudan a reducir el consumo de energía al apagarse cuando no se necesitan.Esto mejora la eficiencia y evita interferencias de señal.
|
Característica |
Pestillos |
Amortiguadores |
|
Papel clave |
Mantener valores de datos |
Controlar el movimiento de datos |
|
Comportamiento |
Mantiene el estado estable |
Ajusta el flujo de señal |
|
Caso de uso |
Tareas de temporización y almacenamiento. |
Coincidencia de velocidad y conducción de señales. |
|
Impacto del sistema |
Mejora la estabilidad |
Mejora la comunicación |
Los pestillos se centran en mantener los datos sin cambios durante la operación.Los buffers se centran en garantizar que las señales se muevan correctamente entre los componentes.
|
Enfoque de diseño |
Pestillos |
Amortiguadores |
|
Mejor uso |
Almacenamiento y control de datos. |
Enrutamiento y transferencia de señales. |
|
Aplicación común |
Registros y circuitos de control. |
Buses de datos y líneas de comunicación. |
|
Fuerza |
Estabilidad y control |
Soporte de flexibilidad y velocidad. |
Un buen diseño de sistema utiliza pestillos y topes juntos.Los pestillos proporcionan un almacenamiento de datos estable, mientras que los buffers garantizan un flujo de señal fluido.Este equilibrio ayuda a reducir retrasos, evitar la pérdida de señal y mejorar el rendimiento general del sistema.
Los chips de la serie 74 simbolizan una evolución en el diseño de circuitos lógicos, reconocidos por su adaptabilidad y escalabilidad.Con el tiempo, ciertas variaciones anteriores enfrentaron una aplicabilidad reducida debido a limitaciones como velocidades operativas más lentas, ineficiencias en el uso de energía o rendimiento limitado en el manejo de sistemas complejos.Sin embargo, los principios y la arquitectura fundamentales continúan dando forma a los avances digitales modernos, inspirando iteraciones especializadas y de alto rendimiento adaptadas a las necesidades contemporáneas.
La aparición de la serie 74H abordó una demanda crítica de capacidades operativas más rápidas dentro de la lógica transistor-transistor (TTL).Su velocidad mejorada marcó un avance mensurable, pero el mayor consumo de energía limitó su efectividad en diseños sensibles a la energía.
Las observaciones históricas muestran una clara disminución en su uso generalizado, principalmente debido a la creciente preferencia por circuitos diseñados para equilibrar la eficiencia con el rendimiento, una necesidad en diseños integrados optimizados para entornos energéticamente conscientes.
La integración de diodos Schottky en la serie 74S revolucionó el diseño TTL, reduciendo los retrasos y mejorando las velocidades de procesamiento computacional.
Si bien su aplicación permaneció concentrada en áreas especializadas, esta serie dejó un impacto duradero en la trayectoria de los derivados TTL de alta velocidad.Sus hitos de desempeño sentaron las bases para los avances tecnológicos que siguieron.
La serie 74LS logró un equilibrio ideal entre fabricación económica y confiabilidad operativa, proporcionando suficiente funcionalidad para sistemas pequeños y medianos.
Esta serie encontró un amplio uso en diseños como controladores lógicos básicos y circuitos computacionales de nivel medio.Se convirtió en una opción preferida en proyectos con presupuesto limitado, incluidos prototipos académicos y aplicaciones comerciales de nivel básico donde las compensaciones del sistema eran una consideración frecuente.
Velocidades de conmutación más rápidas, medidas alrededor de 4 ns, y un consumo de energía reducido cerca de 1 mW definieron la serie 74ALS como una mejora significativa con respecto a diseños anteriores.
Su idoneidad para requisitos computacionales de alta velocidad y sistemas conscientes de la energía lo hizo cada vez más atractivo para dispositivos que funcionan con baterías.Se reconoce un gran potencial para aplicaciones que necesitan precisión y un uso eficiente de los recursos.
La serie 74AS logró una notable velocidad de conmutación promedio de 1,5 ns, superando los límites de la tecnología TTL.
Las industrias que buscan una adquisición rápida de datos o marcos experimentales adoptaron esta serie debido a su capacidad para permitir transiciones casi instantáneas.Al hacerlo, proporcionó ventajas mensurables en aplicaciones donde la velocidad operativa estaba directamente vinculada a las métricas de éxito, incluidos los impactos financieros y tecnológicos.
La presentación de la serie 74HC unificó los beneficios del procesamiento TTL y la eficiencia energética CMOS, logrando un menor uso de energía junto con operaciones de procesamiento más rápidas.
La compatibilidad con la serie 74LS permitió un cambio fluido a sistemas basados en CMOS.Esta serie admite aplicaciones de IoT y electrónica portátil con escalamiento flexible y fácil integración.Estas características ayudan a satisfacer las necesidades de entornos tecnológicos que cambian rápidamente.
Los pestillos desempeñan un papel importante en la electrónica digital al proporcionar almacenamiento temporal de datos, estabilidad de la señal y una mejor coordinación entre los componentes del sistema.Ayudan a mejorar el control de tiempo, respaldan operaciones eficientes de entrada y salida y reducen la carga de procesamiento en muchas aplicaciones.Desde registros y buffers hasta control de pantalla y expansión de puertos, los pestillos contribuyen a un diseño de sistema confiable y flexible.Su uso continuo en familias lógicas de la serie 74 también muestra su valor duradero en sistemas electrónicos tanto tradicionales como modernos.
Un pestillo cambia la salida siempre que la señal de entrada esté activa, por lo que responde inmediatamente a los niveles de entrada.Un flip-flop cambia la salida solo en un flanco de reloj específico, como un flanco ascendente o descendente.Esto hace que un pestillo sea sensible al nivel y un flip-flop se active por flanco.Los pestillos son más simples y rápidos, mientras que los flip-flops brindan un mejor control en los sistemas cronometrados.
El segundo estado se refiere a la condición de salida alternativa de un pestillo.Un pestillo generalmente tiene dos estados estables, uno que representa el 0 lógico y el otro el 1 lógico. El segundo estado es simplemente la otra condición después de que ocurre un cambio.Muestra que el pestillo puede cambiar y mantener un nuevo valor.
LE controla cuándo el pestillo acepta datos de entrada.Cuando LE está activo, el pestillo sigue la entrada y actualiza el valor almacenado.Cuando LE está inactivo, el pestillo mantiene el último valor.OE controla si los datos almacenados se envían a la salida.Cuando OE está activo, la salida es visible.Cuando OE está inactivo, la salida se desactiva y, a menudo, se coloca en un estado de alta impedancia.
29/07/2024
28/08/2024
06/10/2024
04/07/2024
22/04/2024
28/12/2023
15/07/2024
15/11/2024
10/07/2024
20/09/2025









